根据规划,广州将总共投资24.22亿元,建设20万个视频图像采集点,前期超过5亿元的招标只是其中一部分,在未来两年内,建设平安广东中的安防行业将有超200亿元投资。
▌项目背景
2006年以来,在广州市委、市政府的正确领导下,广州市社会新建高清视频图像采集系统建设及应用工作取得了突出的成绩。在广州市委、市政府的正确领导下,各地区、各部门共同努力,广州社会新建高清视频图像采集系统建设应用和运维管理工作取得了显著成效。广州市视频系统建设数量、联网规模、管理规范水平均位居全国前列,视频图像信息在公安机关打击犯罪、治安防控以及城市管理等各项业务工作中发挥着不可替代的重要作用。截至2012年底全市共建成摄像头26.8万个,公安机关可直接调控的一类点摄像头约4.2万个,占规划总数的16.8%,公安掌控一类点的完好率稳定保持在95%以上。截至目前,全市共新建改造摄像头26.8万个,基本搭建了全市统一的城市视频专网和视频管理应用平台,建立了比较完整的视频管理应用架构体系,为全市社会面管控能力和城市管理水平的提升做出了积极有效的贡献。
但随着我国经济建设和社会事业的快速发展,工业化、信息化、城市化工作的不断推进,整个社会正处在转型期和改革攻坚期,各阶层的利益诉求呈现巨大的差异,各种新矛盾和新挑战不断涌现,社会治安形式日趋复杂,对各级政府的社会面管控能力和城市管理水平提出了更高的要求,而实践证明社会治安与城市管理视频系统可以为强化社会治安、促进城市管理、保障公共安全提供有力的支撑。
“智慧广州视频监控系统集成合作项目”是根据2013年-2016年广州市社会治安与城市管理智能化视频系统建设规划,为市公安局、市城乡建设委员会、市城市管理委员会、市民防办、市教育局、市水务局等六个市直机关单位,以及越秀、海珠、天河、白云、番禺、荔湾、黄埔、萝岗、南沙等九个区域新建10246个高清视频图像采集点(含前端和存储),140套高清卡口系统(含前端和存储),552套移动视频系统(含前端和存储)。高新兴承建黄埔、越秀、白云、市建项目,新建3080个高清视频图像采集点及建设14个云存储机房。2013年智慧广州视频监控系统集成合作项目的招标仅仅是平安城市推进的一个序曲,根据规划,
广州将总共投资24.22亿元,建设20万个视频图像采集点,前期超过5亿元的招标只是其中一部分。而放大到整个广东省看,未来两年内建设平安广东,其中安防行业将有超200亿元投资。
高新兴中标广州市视频监控建设项目,标志其平安城市业务成功地从广东阳江、揭阳以及贵州镇远、望漠等二三线城市向一线城市深入,同时也奠定了其在广东安防市场中的重要地位,在未来平安广东的建设中,高新兴将会大有作为。而且,广州市智能化视频系统的建设具有标杆效应,有望带动其他城市加快建设“慧眼工程”。统计显示,“十二五”期间,各项涉及智慧城市的投资总额将超过2万亿元,其中安防行业在“十二五”期间预计有20%的年增长率,到今年,总产值将达到5000亿元规模。
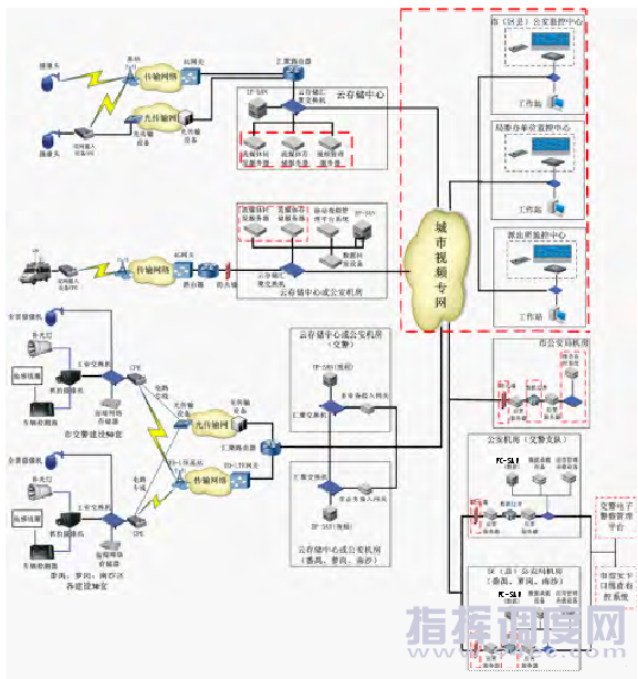
▌项目系统总体结构
本项目建设内容包括高清视频图像采集系统、高清道路卡口系统及移动视频系统的建设及运维服务等部分。系统总体结构如下图所示,见图1。
图1:系统总体架构图

本项目建设新建高清视频图像采集系统、配套云存储中心,并接入城市视频专网。建设部分主要由前端系统、传输系统、后端存储系统等组成。
总体组网结构如下图所示,见图2。

图2:总体组网系统结构图
▌项目亮点
该项目全部采用高清摄像头、云存储,通过GB/T28181-2011标准协议,整合原视频平台,实现智能化应用,通过综合运维系统提供维护效率的总体技术方案。
▌系统主要功能
(1)实时监控功能
全面监控到系统中所有视频图像采集点的现场图像。
(2)监控录像及录像回放功能
网络高清存储设备实现大容量视频图像的分布式同步录像存储,可任意调用网络高清存储设备的监控录像,进行回放、显示、备份及存储录像文件等,采用数字视频录像滚动存储方式,网络高清图像信息存储格式为1080P。
(3)高清网络摄像机的远程控制功能
系统能提供多级远程控制功能,即监控中心的控制键盘、系统总控主机、系统远程客户端均能够远程控制调节前端高清网络摄像机的焦距、变倍、光圈等参数。
(4)报警管理功能
报警管理功能是针对整个高清系统运行过程中的所有报警事件的集中管理机制。系统的报警联动方式有:声音报警、灯光报警、弹出画面报警、短信报警、报警人工处理提示。


















